КПР-Т3Ф
Доступен для скачивания
краткий каталог продукции:
Кран шаровой трехходовой фланцевый КПР-Т3Ф предназначен для управления потоком рабочей среды в трубопроводе
Особенности:
Модификации:
Расшифровка обозначения на примере крана КПР-Т3Ф-050 XYZ:
КПР-Т3Ф – модель крана.
050 – Ду, мм (диаметр условного отверстия).
X – присоединение: F – фланцевое.
Y – материал корпуса: S – нержавеющая сталь.
Z – материал уплотнения: P – PTFE
Версия: 2026-01-19-СДГ
Особенности:
- Угол полного поворота: 90°
- Долгий срок службы
- Модели -080, -100 поставляются в сборе с монтажным крепежом КМКУ и переходником ПМКУ
- Для местного управления кранами могут использоваться ручные приводы ПРК2
- Внимание! Если у крана и привода различаются посадочные размеры, то для соединения потребуется монтажный комплект и переходники (не входят в комплект поставки). Менеджеры подбирают их дополнительно при заказе
- Для защиты крана от попадания инородных частиц необходима установка фильтра механической очистки перед входным отверстием крана
- Для герметизации фланцевых металлических соединений рекомендуется использование анаэробных герметиков
| Параметр
| Значение
|
| Тип крана
| L (переключающий) |
| Рабочая среда | Пар, вода, горячая вода, воздух, инертные газы, природный газ, масла, азотная кислота, уксус |
| Материал | Корпуса: нержавеющая сталь
Уплотнения: PTFE |
| Температура рабочей среды | −20...+150°С |
| Рабочее давление | 0,0...1,6 МПа
|
| Диаметр условного прохода | 15...100 мм |
| Присоединение крана
| Фланцевое F½"...F4" |
| Стандарт присоединения крана к приводу
| ISO5211
|
Модификации:
| Модель
| Ду, мм
| Kv, м³/ч
| Присоединение
| Крутящий
момент, Н·м | Посадочный размер крана, мм
| Вес, г
|
| КПР-Т3Ф-015 FSP | 15 | 20 | F½" | 12 | 11×11 | 3460 |
| КПР-Т3Ф-020 FSP | 20 | 38 | F¾" | 14 | 11×11 | 4000 |
| КПР-Т3Ф-025 FSP | 25 | 69 | F1" | 19 | 11×11 | 5050 |
| КПР-Т3Ф-032 FSP | 32 | 93 | F1¼" | 45 | 14×14 | 8950 |
| КПР-Т3Ф-040 FSP | 40 | 144 | F1½" | 47 | 14×14 | 10710 |
| КПР-Т3Ф-050 FSP | 50
| 229
| F2"
| 65 | 14×14
| 12950 |
| КПР-Т3Ф-065 FSP | 65
| 404
| F2½"
| 85 | 17×17 | 18380 |
| КПР-Т3Ф-080 FSP | 80 | 573 | F3" | 180 | 22×22 | 21420 |
| КПР-Т3Ф-100 FSP | 100
| 936
| F4"
| 220 | 22×22 | 32370 |
КПР-Т3Ф – модель крана.
050 – Ду, мм (диаметр условного отверстия).
X – присоединение: F – фланцевое.
Y – материал корпуса: S – нержавеющая сталь.
Z – материал уплотнения: P – PTFE
Таблица выбора привода для крана КПР-Т3Ф
| Схема работы трехходового крана L-типа | ||
А. Вход В. Выход С. Выход | ||
![]() | Положение 1: перекрыт выход C, поток движется в направлении A–B. | |
![]() | Положение 2: перекрыт выход B, поток движется в направлении A–C. | |
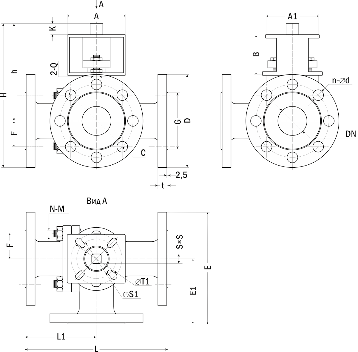
| Габаритные размеры
|
КПР-Т3Ф-015...-065 |
![]() КПР-Т3Ф-080, -100
|
| Модель
КПРТ3Ф | DN
| Размеры, мм
| ||||||||||||||||||||||
| А | А1 | В | C | D | Е | Е1 | F | G | Н | h | К | L | L1 | N-М | n-∅d | R | 2-Q | S×S | S1 | T1 | t | |||
| -015 | 15 | 50 | — | 25 | 68 | 94 | 128 | 77 | 24 | 45 | 128 | 82 | 15 | 152 | 76 | 4-М10 | 12-18 | — | 2-Q6 | 11×11 | 50
(F05) | — | 13 | |
| -020 | 20 | 50 | — | 25 | 76 | 103 | 131 | 80 | 29 | 56 | 136 | 83 | 16 | 160 | 80 | 4-М10 | 12-18 | — | 2-Q6 | 11×11 | 50
(F05) | — | 13 | |
| -025 | 25 | 50 | — | 25 | 81 | 103 | 146 | 90 | 34 | 65 | 144 | 78 | 13 | 180 | 90 | 4-М10 | 12-14 | R8
×1,5 | 2-Q6 | 11×11 | 50
(F05) | — | 13 | |
| -032 | 32 | 71 | — | 28 | 103 | 140 | 175 | 106 | 41 | 79 | 183 | 106 | 18 | 201 | 100,5 | 4-М12 | 12-18 | — | 2-Q6 | 14×14 | 70
(F07) | — | 17 | |
| -040 | 40 | 71 | — | 28 | 112 | 150 | 188 | 114 | 44 | 87 | 183 | 106 | 18 | 222 | 111 | 4-М12 | 12-18 | — | 2-Q6 | 14×14 | 70
(F07) | — | 17 | |
| -050 | 47 | 72 | — | 30 | 125 | 158 | 195 | 120 | 53 | 102 | 200 | 120 | 17,5 | 235 | 117,5 | 4-М12 | 12-18 | — | 2-Q8 | 14×14 | 70
(F07) | — | 17 | |
| -065 | 65 | 93 | — | 35 | 144 | 178 | 220 | 135 | 62 | 119 | 275 | 185 | 22 | 262 | 131 | 6-М14 | 12-18 | — | 2-Q12 | 17×17 | 70
(F07) | 102
(F10) | 18 | |
| -080 | 80
| 106 | 97 | 74 | 160 | 191 | 240 | 140 | 70 | 135 | 305 | 212 | 26 | 285 | 142,5 | 8-М16 | 24-18 | — | 2-Q12 | 22×22 | 102
(F07) | 125
(F10) | 20 | |
| -100 | 100
| 106 | 96 | 74 | 178 | 213 | 265 | 220 | 82 | 144 | 340 | 230 | 22 | 320 | 160 | 8-М16 | 24-18 | — | 2-Q12 | 22×22 | 102
(F10) | 125
(F12) | 22 | |
Версия: 2026-01-19-СДГ
| Документ | Дата обновления |
| Паспорт на КПР-Т3Ф | 20.01.2026 |


